BH3F
技术指标
额定载荷 | t | 0.05/0.1/0.25/0.5/0.75/1/1.5/2/2.5/5 |
lb | 200/250/300/500/750/1 K/1.5K/2K/2.5K/3K/5K/7.5K/10K/15K/20K | |
精度 | C3 A5S B10S | |
最大检定分度数 | nmax | 3000 III 5000 单只 IIIL10000 单只 |
最小检定分度值 | Vmin | Emax/10000 Emax/15000 Emax/10000 |
综合误差 | (%FS) | ≤ ±0.020 ≤ ±0.018 ≤ ±0.035 |
蠕变 | (%FS/30min) | ≤ ±0.016 ≤ ±0.012 ≤ ±0.030 |
温度对输出灵敏度的影响 | (%FS/10°C) | ≤ ±0.011 ≤ ±0.009 ≤ ±0.030 |
温度对零点输出的影响 | (%FS/10°C ) | ≤ ±0.015 ≤ ±0.010 ≤ ±0.030 |
输出灵敏度 | (mV/V) | 3.0 ±0.008 |
输入阻抗 | (Q) | 380 ±5.0 |
输出阻抗 | (Q) | 351 ±3.0 |
绝缘阻抗 | (MQ) | ≥ 5000(50VDC) |
零点输出 | (%FS) | ≤ ±1.0 |
温度补偿范围 | (°C) | -10 ~ +40 |
允许使用温度范围 | (°C) | -35 〜+70 |
推荐激励电压 | (V) | 5 〜12(DC) |
最大激励电压 | (V) | 18(DC) |
安全过载范围 | (%FS) | 150 |
极限过载范围 | (%FS) | 300 |
ATEX等级(可选) |
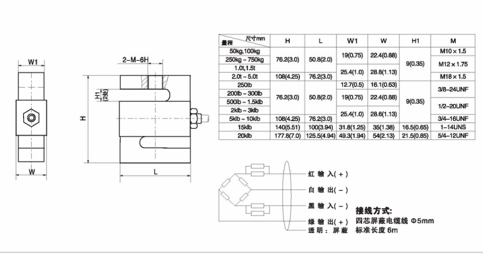
外型尺寸mm(inch)
寸 量程 | H | L | W1 | W | H 1 | - M |
50kg, 100kg | 76.2(3.0) | 50.8(2.0) | 19(0.75) | 22.4(0.88) | 9(0.35) | M10x1.5 |
250kg ~ 750kg | M12x1.75 | |||||
1.0t,1.5t | 25.4(1.0) | 28.8(1.13) | ||||
2.0t 〜5.0t | 108(4.25) | 76.2(3.0) | M18x1.5 | |||
250lb | 76.2(3.0) | 50.8(2.0) | 12.7(0.5) | 16.1(0.63) | 9(0.35) | M20x1.5 |
200lb ~ 300lb | 19(0.75) | 22.4(0.88) | ||||
500lb ~ 1.5klb | M33x3 | |||||
2klb ~ 3klb | 25.4(1.0) | 28.6(1.13) | ||||
5klb ~ 10klb | 108(4.25) | 76.2(3.0) | 3/4-16UNF | |||
15klb | 140(5.51) | 100(3.94) | 31.8(1.25) | 35(1.38) | 16.5(0.65) | 1-14UNS |
20klb | 177.8(7.0) | 125.5(4.94) | 49.3(1.94) | 54(2.13) | 21.5(0.85) | 5/4-12UNF |
